Примеры решений
3-D моделирование
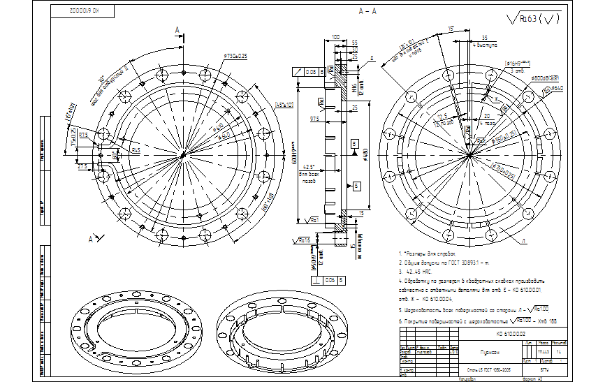
Проектирование формообразующей оснастки люка канализационного
Задача:
Спроектировать конструкцию элементов люка канализационного и разработать технологическую оснастку для их производства (по технологии пласт-формования). Подготовить полный пакет конструкторской и технической документации.
Решение:
Разработаны трехмерные модели элементов люка канализационного. Оформлена конструкторская документация с поддержкой обратной связи с трехмерной геометрией модели. Под конструкцию изделий спроектированы пресс-формы и выполнена их полная деталировка, включая конструкторскую документацию. Все модели являются параметрическими, что позволяет легко адаптировать их геометрию в зависимости от условий установки, эксплуатационных нагрузок, нормативного ряда типоразмеров с автоматическим обновлением всех видов конструкторской документации.
Разработка грузовой платформы (европоддона)
Задача:
Спроектировать конструкцию европоддона из отходов полимерной промышленности для транспортировки в том числе и сыпучих грузов.
Решение:
Произведен анализ изделий аналогов и нормативной документации, осуществлен патентный поиск. Разработана и оптимизирована конструкция европоддона с возможностью его трансформацию в две конфигурации – с несущими бортами (под сыпучие грузы) и в виде площадки (борта складываются или снимаются). При разработке учтены технологические возможности процесса формования изделия, особенности поведения материала на стадии формообразования. Произведена оценка по критерию обеспечения требуемых эксплуатационных характеристик изделия.
Разработка ящика универсального
Задача:
Разработать конструкцию габаритного ящика из отходов термопластичных полимеров для хранения коммунальных и бытовых отходов.
Решение:
Произведен анализ изделий аналогов и нормативной документации, осуществлен патентный поиск. Разработана и оптимизирована конструкция панели универсальной, позволяющей собирать ящики произвольной конфигурации по высоте, а также делать их секционными за счет наращивания дополнительных секций. При разработке учтены технологические возможности процесса формования изделия, особенности поведения материала на стадии формообразования. Произведена оценка по критерию обеспечения требуемых эксплуатационных характеристик изделия.
