Центр приложений Maple
Maple-приложения по прочности, жесткости и устойчивости
Для работы с Maple приложениями необходимо скачать и установить бесплатный Maple Player.
Все представленные в разделе приложения являются абсолютно бесплатными и доступными для скачивания!
Если Вы оценили нашу работу и Вам пригодились наши разработки, Вы можете оказать финансовую поддержку проекту. Будем рады любой помощи!
Расчет статически неопределимых рам и балок
Описание:
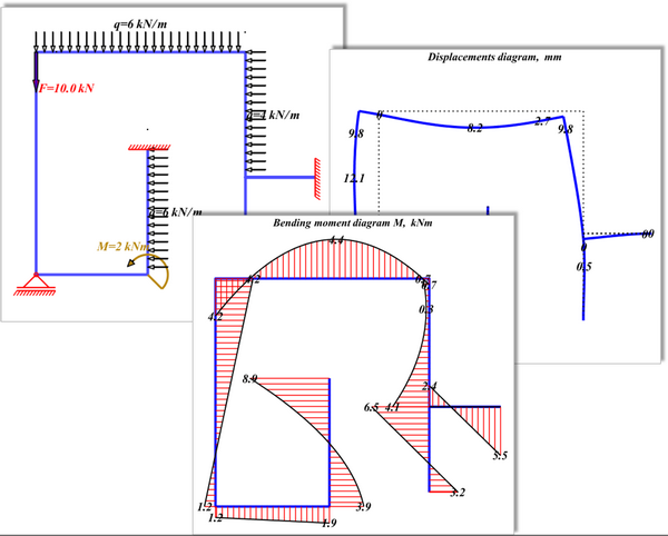
Приложение позволяет определять реакции связей, стороить эпюры нормальных сил N, поперечных сил Q и изгибающих моментов M для рам и балок, имеющих любое чиcло участков и степень статической неопределимости. Возможен учет разной жескости на разных учасках конструкции. Кроме того, приложение позволяет рассчитывать деформации (перемещения) конструкции в миллиметрах и отображать перемещения узлов в горизонтальном и вертикальном направлениях. Так же возможнен расчет перемещений в любой точке конструкции.

